Алмазний диск turbo wave GRAPHITE завдяки гарячому запресовуванню сегментів типу TURBO, відмінно підходить для важких будівельних робіт. Спеціально профільований диск значно збільшує охолодження під час роботи, гарантуючи тим самим тривалий термін служби. Алмазні сегменти високої міцності забезпечують ефективне різання елементів з бетону, армованого бетону, граніту, мармуру, каменю, цегли тощо.
Артикул
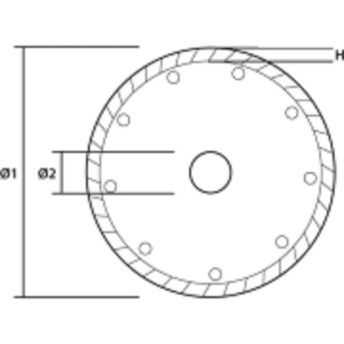
H [MM]
Ø1 [MM]
Ø2 [MM]
W [MM]
57H632
6.0
115
22.2
2.4
57H634
6.0
125
22.2
2.6
57H636
6.0
180
22.2
2.8
57H638
6.0
230
22.2
3.1
57H873
6.0
200
22.2
2.8
Диск алмазний Graphite 115 х 22.2 мм 57H632
- Виробник: Graphite (Польща)
- Модель: 57H632
- Наявність: Є в наявності
-
201₴


